Акриловая столешница – прочное и долговечное изделие, которое способно выдержать многие испытания. Такая деталь интерьера подойдет тем, кто предпочитает менять мебель, как можно реже.
Столешницу из искусственного камня мы устанавливали на уже готовую тумбу для ванной.
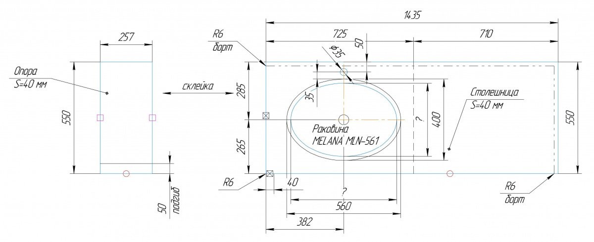
Размер столешницы 1420х550 мм. Акриловый камень выбрали компании Hi-Macs G038 в бежевом цвете с вкраплениями. Заранее был сделан вырез под интеграцию мойки.

Боковой борт и накладные борты сверху сделан для того, чтобы избежать попадания влаги на пол и прилегающие поверхности.


Заказать похожий эскиз или создать уникальный дизайн-проект, вы можете на нашем сайте. Оставьте заявку на звонок или свяжитесь с дизайнером самостоятельно +7 (966) 249-74-00.