Столешницу мы создавали для готового кухонного гарнитура в современном стиле. Такой интерьер достаточно минималистичный и строгий, его легко сочетать с другими деталями кухни.
Для изготовления столешницы мы использовали камень корейской компании Hi-Macs, модель SO28. Это доступный по цене камень, хорошего качества и с отличными характеристиками. Он надежен, как камень, но благодаря своим уникальным свойствам, может поддаваться обработке, подобно дереву.

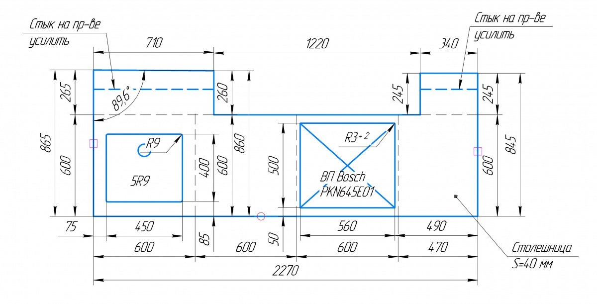
Заранее мы подготовили вырезы под электрическую варочную панель и мойку. Мойка каменная, интегрированная (установленная под камень). Такой способ размещения помогает избежать скопления грязи в стыках, а также упрощает очищение столешницы.

Заказать похожий эскиз или создать уникальный дизайн-проект, вы можете на нашем сайте. Оставьте заявку на звонок или свяжитесь с дизайнером самостоятельно +7 (966) 249-74-00.