Проект заказан клиентом из г. Йошкар-Ола.
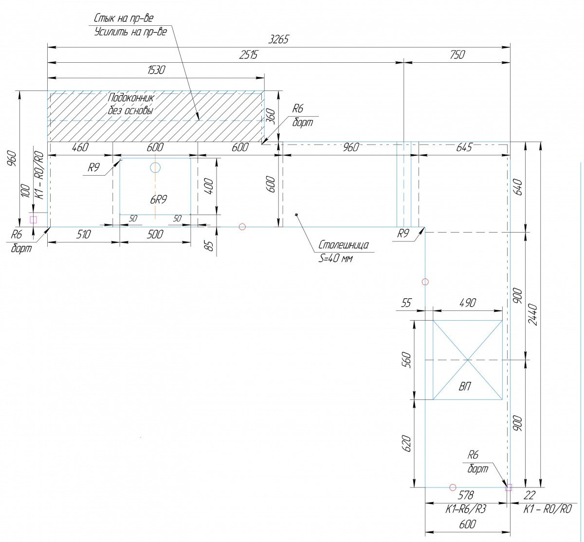
Увеличить рабочее пространство на кухне можно разными путями: делая ниши в стенах, уменьшая количество модулей кухонного гарнитура или совмещая столешницу и подоконник. Обычно при таком совмещении, мойку располагают у окна – удобно и вид красивый. Так и потупили наши заказчики.

Мы использовали искусственный камень Hi-Macs G137. Цвет: бежевый с вкраплениями. При совмещении столешницы и подоконника, соединение усилили планкой.
Заказать похожий эскиз или создать уникальный дизайн-проект, вы можете на нашем сайте. Оставьте заявку на звонок или свяжитесь с дизайнером самостоятельно +7 (966) 249-74-00.