Наша компания "Гарант" выполнила проект по изготовлению столешницы из акрилового камня Grandex Deep Water M-708 - глубокий насыщенный цвет с эффектом водной глади. Использование акрилового камня позволяет создать просторную, современную кухонную зону, которая станет функциональным центром вашего дома на многие годы.
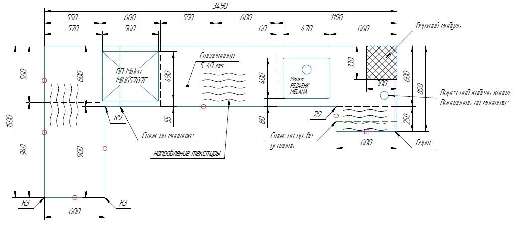
Чертеж данной столешницы
Перед монтажом был выполнен аккуратный вырез под варочную панель.
Готовая столешница после монтажа
Интегрированная мойка создает единое целостное решение, что облегчает уход за поверхностью и подчеркивает современный стиль помещения. Справа от раковины расположен шкафчик для более удобного хранения посуды, кухонных принадлежностей и мелких бытовых приборов, что значительно повышает функциональность кухни. Слева от раковины каменная столешница продолжается в форме барной стойки, делая кухню более универсальной.
Позвоните нам прямо сейчас, чтобы обсудить детали вашего проекта, или оставьте заявку на сайте — мы гарантируем индивидуальный подход, высокое качество работы и быстрые сроки выполнения.
