Планируя ремонт в кухне, делайте выбор в пользу акриловой столешницы. Это гарантия прочности, долговечности и сохранности ваших нервов.
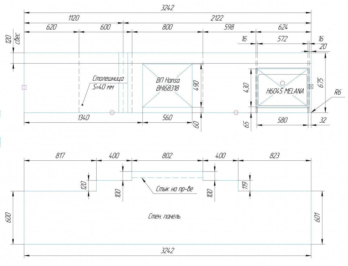
Кухонная столешница изготовлена из акрилового камня от производителя Grandex, серия S-203 в белом цвете.
Столешница прямая, размером 3242х675 мм., с вырезами под варочную панель и мойку. Дополнительно изготовлена стеновая панель нестандартной формы, размером 3242х820 мм.


Преимущество акрилового камня – его универсальность и податливость. Мастера могут вырезать практически любую форму.



Заказать похожий эскиз или создать уникальный дизайн-проект, вы можете на нашем сайте. Оставьте заявку на звонок или свяжитесь с дизайнером самостоятельно +7 (966) 249-74-00.