Чтобы воссоздать дизайн-проект комнаты со столешницей под мрамор, необязательно переплачивать за натуральный камень, его легко можно заменить искусственным.
Модельный ряд акрилового камня имеет большой выбор цветов и текстур, поэтому вы легко найдете то, что вам действительно необходимо.
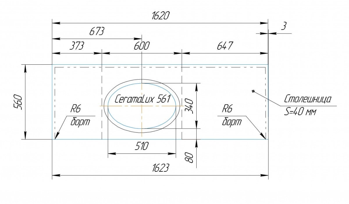
Столешница изготовлена из акрилового камня от производителя Akrilika, модель M649 в белом цвете с прожилками (под мрамор). Размер 1650х550 мм.
Дополнительно установили накладные борты, высотой 30 мм. Они не дают воде затекать в щель между столешницей и стеной, что предотвращает образование грибка и плесени.
Установлена интегрированная мойка компании CeramaLux 561.

Столешница из искусственного камня прослужит вам долгие годы, даже в таких непростых условиях эксплуатации, как ванная комната.


Заказать похожий эскиз или создать уникальный дизайн-проект, вы можете на нашем сайте. Оставьте заявку на звонок или свяжитесь с дизайнером самостоятельно +7 (966) 249-74-00.




