Наши клиенты достаточно часто обращаются к нам с заказом на изготовление столешницы для уже установленного кухонного гарнитура.
Объясняется это тем, что далеко не каждое производство мебельных компаний способно справиться с таким сложным материалом, как акрил.
Несмотря на технические сложности, уход за акриловым камнем не составит труда хозяевам: он не впитывает влагу и грязь, не деформируется от использования химических средств, а также гладкая поверхность позволяет быстро стряхнуть крошки и другие мелкие частицы.

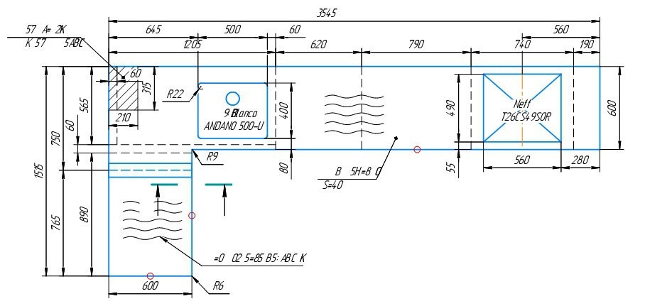
Размер столешницы 3545х1515 мм. Акриловый камень производителя Grandex, модель M707 в белом цвете. Заранее сделан вырез под варочную панель и интеграцию мойки. Мойка фирмы Blanco из нержавеющей стали с зеркальным покрытием.


Заказать похожий эскиз или создать уникальный дизайн-проект, вы можете на нашем сайте. Оставьте заявку на звонок или свяжитесь с дизайнером самостоятельно +7 (966) 249-74-00.